Выключатель автоматический АЕ 2056M2-100-00У3-Б-20А-12In

Арт.: АЕ 2056M2-100-00У3-Б-20А-12In
В наличии
4035.72
р.
Выключатель автоматический АЕ 2056M2-100-00У3-Б-20А-12In - предназначен для защиты от токов перегрузки и токов короткого замыкания в электрических цепях напряжением до 380 В переменного тока частоты 50(60)Гц, а также для оперативных отключений и включений указанных цепей с частотой до 30 включений в час, номинальный ток (А): 20, уставка расцепителей токов КЗ: 12In, независимый расцепитель (В): -/-/-
  • Описание
  • Характеристики
  • Преимущества

Выключатель автоматический АЕ 2056M2-100-00У3-Б-20А-12In предназначен для защиты от токов перегрузки и токов короткого замыкания, для проведения тока в нормальном режиме в электрических цепях напряжением до 380 В переменного тока частоты 50,60 Гц, а также для оперативных отключений и включений указанных цепей с частотой до 30 включений в час. Данный выключатель не имеет регулировки номинального тока тепловых расцепителей и не имеет температурной компенсации.

Выключатель автоматический АЕ 2056M2-100-00У3-Б-20А-12In с климатическим исполнением У предназначен для эксплуатации в условиях категории 3 по ГОСТ 15150 и соответствует группам условий эксплуатации М3, М4, М6 по ГОСТ 17516.
Номинальный режим работы автоматического выключателя – продолжительный.

Автоматические выключатели с тепловыми расцепителями токов перегрузки без температурной компенсации, при температуре окружающего воздуха 40˚С и с одновременной нагрузкой всех полюсов:
1) не должны срабатывать с «холодного» состояния при условном токе нерасцепления 1,05 In в течение времени менее 2-х часов.
2) должны срабатывать при условном токе расцепления 1,3 In в течение 2-х часов.
3) должны срабатывать в каждом полюсе при условном токе расцепления 6 In в течение 1,5-15 секунд .
4) должны срабатывать в каждом полюсе при удвоенной нагрузке (2 In) за время не более 240 секунд.

Электромагнитные максимальные расцепители тока не должны срабатывать при токе равном или меньшем 0,8 уставки по току короткого замыкания и должны срабатывать при токе равном или большем 1,2 уставки по току короткого замыкания в течение 0,2 сек.
Автоматические выключатели с комбинированными расцепителями допускают повторное включение по истечении времени не более 180 секунд после срабатывания их от тока перегрузки, а выключатели только с электромагнитными расцепителями обеспечивают практически мгновенно повторное включение после срабатывания.

Присоединение к автоматическому выключателю АЕ 2056M2-100-00У3-Б-20А-12In внешних проводников сечением от 6 до 50мм2 производится без кабельных наконечников или с помощью специальных кабельных наконечников поставляемых по отдельному заказу.

Технические условия
ТУ 16-522.148-80
Страна производства
Российская Федерация
Гарантия
24 месяца
Срок службы
10 лет
Статус
В наличии
Серия выключателей
АЕ 20
Количество полюсов
3
Номинальный ток Iн (А)
20
Номинальное напряжение Uн (В)
380, 660
Род тока
AC
Уставка расцепителей токов короткого замыкания
12In
Класс износоустойчивости
Б
Предельная коммутационная способность (Icu) в цепи переменного тока частоты 50 Гц, 60Гц напряжением 380В и cos φ=0.8
6 кА
Класс защиты
IP00
Класс защиты с дополнительным оборудованием
IP20
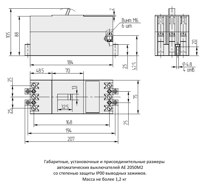
Длина, мм
207
Высота, мм
105
Ширина, мм
75
Климатическое исполнение
У3
Количество циклов включений и отключений
10000
Масса нетто, кг
1.2
Норма упаковки (шт.)
1

✅ Отечественный производитель — подходят для импортозамещения;

✅ Качество советской сборки — синоним надёжности;

✅ Могут встраиваться в комплектные устройства на подстанциях, в железнодорожной технике и на морских/речных судах;

✅ Виды климатических исполнений «У» и «Т» категории 3 по ГОСТ15150, а также пригодны для эксплуатации в условиях для исполнений УХЛ4, У2, Т2, УХЛ2 (в оболочке степени защиты IP54, если применимо);

✅ Полностью совместимы по габаритным и посадочным местам с советскими выключателями соответствующих марок;

Популярные товары

В наличии
Арт.: АЕ 2545-М10ХЛ2-AC380-63А-10In
5924.88 р.
В наличии
Арт.: АЕ 2545-М10ХЛ2-AC380-50А-10In
5924.88 р.
В наличии
Арт.: АЕ 2545-М10ХЛ2-AC380-40А-10In
5924.88 р.
Менеджер
Елизавета
Секретарь-референт
Консультация специалиста
Мы обязательно свяжемся с вами!
Менеджер
Елизавета
Секретарь-референт
Оставить заявку
Мы обязательно свяжемся с вами!
Менеджер
Елизавета
Секретарь-референт
Заказать расчет
Мы обязательно свяжемся с вами!