Угловая анкерная опора ЛЭП УАДтБ10-3 на угол поворота ВЛ 60° (типовой проект Л57-97.11)

Арт.: uadtb10-3_l57-97.11
Под заказ
от
174142
р.
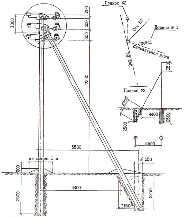
Угловая анкерная опора ЛЭП УАДтБ10-3 на угол поворота ВЛ 60° предназначена для установки в местах изменения направления трассы воздушных линий электропередач (ЛЭП). Её задача — компенсировать горизонтальную составляющую тяжения проводов, возникающую из-за изменения направления линии.
  • Описание
  • Характеристики
  • Преимущества

Угловая анкерная опора ВЛ УАДтБ10-3 на угол поворота ВЛ 60° с защищёнными проводами напряжением 10 кВ отвечает требованиям ПУЭ (издание 6) для применения в I-V районах по скоростному напору ветра и I-IV и особом районах по гололёду с нормируемыми ПУЭ расчётными нагрузками.

Данная опора представляет собой подкосную конструкцию с закреплёнными хомутами на стойке траверсами, что позволяет выполнить их сборку и установку в пробуренные котлованы укрупнёнными монтажными блоками.

Закрепление опоры УАДтБ10-3 предусматривается в песчаных и глинистых грунтах в пробуренных котлованах диаметром 350 мм. При этом учитывается возможность использования местного грунта для засыпки пазух котлованов.

Крепление проводов ВЛ на данной опоре предусмотрено при помощи натяжных изолирующих подвесок в комплекте с штыревыми изоляторами марок ШФ10-Г, ШФ-10Д и ШФ20-Г.

Стоимость опоры сильно зависит от количества опор в заказе, места доставки опор, применяемых комплектующих и типа применяемого антикоррозийного покрытия. Поэтому актуальная стоимость каждой опоры подлежит обязательному уточнению с учётом ваших конкретных условий поставки!


Состав опоры:

- Стойка С112-2

- Крепление подкоса У-52

- Траверса ТМ-72а/ТМ-72б

- Крепление изолятора КИ-2

- Болт Б-61

- Гайка 2М16

- Изолятор

- Колпачок

- Натяжная изолирующая подвеска

- Зажим ПА

- Зажим ПС-2-1

- Дугозащитное устройство SE20.2

- Звено промежуточное ПРТ-7-1

- Заземляющий проводник ЗП-64

- Вязальная проволока

Производитель
ООО "ЮШЕ-Электро"
Технические условия
ТУ 23.61.12-002-87381870-2021
Страна производства
Российская Федерация
Гарантия
12 месяцев
Статус
Под заказ
Типовой проект
Л57-97
Высота опоры ЛЭП (над землёй), м.
8,7
Глубина котлована, м.
2,25 - 2,5
Тип опоры
Угловая анкерная

✅ Оперативный расчёт большинства популярных опор ЛЭП;

✅ Комплектация опор в соответствии с типовыми проектами, которые разрабатывались в СССР целыми конструкторскими бюро и институтами электроэнергетики;

✅ Предоставление технического паспорта на каждую марку изготовленных нами опор ЛЭП;

✅ Предоставление сертификата соответствия на опору ЛЭП в полном комплекте (то есть на всё изделие в целом), что позволит проще и быстрее произвести сдачу линии электропередачи заказчику и контролирующим организациям.

Популярные товары

Менеджер
Елизавета
Секретарь-референт
Консультация специалиста
Мы обязательно свяжемся с вами!
Менеджер
Елизавета
Секретарь-референт
Оставить заявку
Мы обязательно свяжемся с вами!
Менеджер
Елизавета
Секретарь-референт
Заказать расчет
Мы обязательно свяжемся с вами!